Воздушные отопители
ОТОПИТЕЛЬ ВОЗДУШНЫЙ ДИЗЕЛЬНЫЙ ПЛАНАР 9Д-12В (8 КИЛОВАТТ) МОНТАЖНЫЙ КОМПЛЕКТ С ТОПЛИВНЫМ БАКОМ 7.5Л
42000руб.
Автономные воздушные отопители салона предназначены для поддержания комфортной температуры в автобусах, фургонах, легковых и грузовых автомобилях, и на катерах.
Линейка отопителей представлена рядом моделей, различающихся выходной тепловой мощностью, внешним исполнением и комплектацией. Внутренняя компоновка и принцип работы сохраняется общим.
Отопитель требует подключения к сети постоянного тока 12В. Забор топлива производится по топливопроводу, который может заводиться в штатный бак с помощью топливозаборника, или же в отдельный бак.
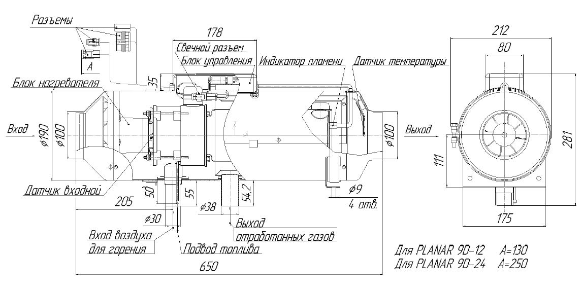
Планар 9Д-12В – автономный отопитель, работает на дизельном топливе независимо от двигателя автомобиля. Оснащен нагнетателем воздуха с бесколлекторным электродвигателем. Также отопитель содержит японскую свечу накаливания и топливный насос отечественного производства.
Пульт управления ПУ-5 позволяет регулировать работу отопителя по мощности. При подключении выносного кабинного датчика сб. 1458, ПУ-5 работает по температуре.
Комплектация:
Линейка отопителей представлена рядом моделей, различающихся выходной тепловой мощностью, внешним исполнением и комплектацией. Внутренняя компоновка и принцип работы сохраняется общим.
Отопитель требует подключения к сети постоянного тока 12В. Забор топлива производится по топливопроводу, который может заводиться в штатный бак с помощью топливозаборника, или же в отдельный бак.
Планар 9Д-12В – автономный отопитель, работает на дизельном топливе независимо от двигателя автомобиля. Оснащен нагнетателем воздуха с бесколлекторным электродвигателем. Также отопитель содержит японскую свечу накаливания и топливный насос отечественного производства.
Пульт управления ПУ-5 позволяет регулировать работу отопителя по мощности. При подключении выносного кабинного датчика сб. 1458, ПУ-5 работает по температуре.
Комплектация:
- Отопитель Дизельный Планар;
- Пульт управления ПУ-5 в салон автомобиля;
- Топливный насос ТН-9 - 6,8мл - 12В. Производство Россия;
- Жгуты всей необходимой электропроводки: питания, топливного насоса, переходной;
- Бак топливный 7л;
- Труба выхлопная;
- Теплоизоляция;
- Топливопровод;
- Воздухозаборник;
- Монтажные комплекты: отопителя, воздухозаборника, жгутов, топливного бака, топливной системы, выхлопной системы;
- Документация: гарантийный талон, инструкция по монтажу, инструкция по эксплуатации, упаковочный лист.
| Технические характеристики |
Планар 9Д-24
|
Планар 9Д-12
|
||
|---|---|---|---|---|
|
Режимы
|
||||
|
Сильный
|
Малый
|
Сильный
|
Малый
|
|
| Теплопроизводительность, кВт |
8
|
3,2
|
8
|
3,2
|
| Расход топлива, л/час |
1
|
0,42
|
1
|
0,42
|
| Потребляемая мощность отопителя, Вт |
215
|
12
|
180
|
12
|
| Количество нагреваемого воздуха, м3/ч |
290
|
70
|
290
|
70
|
| Применяемое топливо |
дизельное топливо по ГОСТ305
|
|||
| Номинальное напряжение питания, В |
24
|
12
|
||
| Режим запуска и остановки |
Ручной
|
|||
| Масса со всеми комплектующими, кг не более |
18
|
|||